
在新能源三電,汽車制造,機械工程以及光伏產業中,自動化的流程與應用在工業生產中變得尤為重要。
提供適用于粘合、密封和導熱等工藝的多功能涂膠供料系統的組件,并為裝配流程提供自動化涂膠控制閥、氣馬達、升降氣缸提供定制解決方案。
|
|


|
|
|
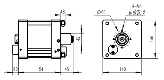
1、模塊化設計,使維護更簡單,機體外殼堅固,不易生銹或凹陷。
2、市場上技術先進的空氣馬達,換向靈敏、往復運動平穩。
3、高精度零件加工及穩定的金屬處理,配合優質密封件,延長了使用壽命。
該產品采用模塊化設計,內置氣路,安裝空間小,結構緊湊,維護方便。主材料選用鋁合金,表面陽極氧化處理,防腐性能好,選用優質低摩擦密封件,控制閥換向靈敏,氣缸往復運動平穩,壽命長。
■ 氣動馬達125*30 | |
| ◆ 參數缸徑:125mm 行程:30mm(可定制) 工作壓力:0.2~1MPa 耐壓:1.5MPa 工作介質:干燥清潔含油霧的壓縮空氣 工作溫度:-20~70℃ 理論推力:7000N(工作氣壓為0.6MPa時) |
■ 氣動馬達160*120 | |
◆ 參數缸徑:160mm 行程:120mm(可定制) 工作壓力:0.2~1MPa 耐壓:1.5MPa 工作介質:干燥清潔含油霧的壓縮空氣 工作溫度:-20~70℃ 理論推力:12000N(工作氣壓為0.6MPa時) |
|
■ 氣動馬達200*160 | |
| ◆ 參數缸徑:200mm 行程:160mm(可定制) 工作壓力:0.2~1MPa 耐壓:1.5MPa 工作介質:干燥清潔含油霧的壓縮空氣 工作溫度:-20~70℃ 理論推力:18000N(工作氣壓為0.6MPa時) |
■ 氣動馬達250*120 | |
◆ 參數缸徑:250mm 行程:120mm(可定制) 工作壓力:0.2~1MPa 耐壓:1.5MPa 工作介質:干燥清潔含油霧的壓縮空氣 工作溫度:-20~70℃ 理論推力:29000N(工作氣壓為0.6MPa時) |
|
■ 氣動馬達300*120 | |
| ◆ 參數缸徑:300mm 行程:120mm(可定制) 工作壓力:0.2~1MPa 耐壓:1.5MPa 工作介質:干燥清潔含油霧的壓縮空氣 工作溫度:-20~70℃ 理論推力:42000N(工作氣壓為0.6MPa時) |
|
|
該系列氣缸可根據客戶具體要求設計制作個性化產品,活塞桿采用調質工藝,提高其強度,不易折彎變形;缸筒使用鋁合金材料,內孔應用硬質氧化處理,提高其表面硬度;密封件選用優質低摩擦材料,可有效延長使用壽命,保證運行平穩。
| 缸徑(mm) | 工作壓力(Mpa) | ||
| 0.4 | 0.5 | 0.6 | |
| 80 | 2010 | 2512 | 3010 |
| 100 | 3140 | 3925 | 4710 |
| 150 | 7060 | 8830 | 10590 |
| 160 | 8040 | 10050 | 12050 |
| 200 | 12560 | 15700 | 18840 |
◆ 常用氣缸規格(mm)
行程 缸徑 | 500 | 570 | 600 | 700 | 1000 | 1060 | 1200 |
|---|---|---|---|---|---|---|---|
| 80 | √ | √ | √ | √ | |||
| 100 | √ | √ | |||||
| 150 | √ | ||||||
| 160 | √ | √ | |||||
| 200 | √ |
◆ 涂料供料泵升降氣缸實物展示
![]() | ![]() |

我們的研發團隊&實驗室
華通氣動專業的技術研發團隊,擁有博士、碩士、本科學歷20余人,獲得多項國家級專利。與多家知名高校有技術研發合作,密切結合市場需求,開展研發工作。
目前已獲得發明專利十一項、實用新型專利五十多項、外觀專利三項。
技術中心還擁有600平米完整的氣動產品專業實驗室,可進行各類相關的氣動/物理/模擬/壽命試驗。各類檢測設備50余臺。其中20余臺為我公司技術中心自主研發制造的檢測設備。
壽命測試臺 |
沖擊試驗機 |
高低溫試驗箱 |
三坐標測量儀 |
超聲波探傷儀 |
液壓萬能試驗機 |
電動布洛維硬度計 |
半自動沖擊機 |
生產制造能力
|
華通氣動全廠擁有自動化流水線和檢測設備130余臺,從美國、日本、韓國、臺灣等地引進一流的制造裝備工藝。擁有智能機器人加工生產線、美國哈挺加工中心、日本津上走心式車銑復合加工中心、刀塔式雙頭復合車、全自動數控機床、智能裝配線。月度產能各類控制閥10萬套以上。 |
華通氣動車間生產制造能力
高精度自動送料數控車床 |
加工中心車間 |
|
|
質量保證能力
—— 先進的智能化檢測線
|
|
|
|
—— 智能的產品裝配線
通過視覺檢測相機、接近傳感器、對射光纖傳感器等檢測手段,嚴格控制過程中的錯裝、漏裝。

—— 質量管理體系認證
ISO/TS22163:2017 軌道交通體系認證 |
IATF16949: 2016 汽車行業質量管理體系認證 |
ISO9001: 2015 質量管理體系認證(ISO9000) |
非標氣缸定制,我們擁有以下相關技術的氣缸定做,歡迎來圖來樣非標ODM、OEM定制
水循環降溫技術
氣液轉換增壓技術
多級伸縮技術
精準定位技術
集成自控技術
高頻往復技術
智能集成控制技術
防轉技術
耐高溫、耐低溫、耐腐蝕
咨詢熱線:400-150-1100
傳真:0510-85757700
郵箱:netsales@wxpneum.com.cn
郵編:214177
地址:無錫市惠山經濟開發區欣惠路555號
熱線電話
0510-83591123
上班時間
周一到周六
營銷QQ
800099935
