安裝及應用一、JC系列插入式管接頭,適用于連接硬質、半硬質尼龍管、塑料管,最大工作壓力為1.0MPa。該系列管接頭安裝方便,密封可靠,接管牢固、美觀。二、1、氣管切斷后去除毛刺, 將氣管一端插入接頭插口內(一定要插到底)即可達到牢

安裝及應用
一、JC系列插入式管接頭,適用于連接硬質、半硬質尼龍管、塑料管,最大工作壓力為1.0MPa。該系列管接頭安裝方便,密封可
靠,接管牢固、美觀。
二、1、氣管切斷后去除毛刺, 將氣管一端插入接頭插口內(一定要插到底)即可達到牢固的連接和密封。
2、拆卸氣管時,用姆指將接頭卡套壓進,輕輕用力即可將氣管拔出。
3、氣管反復多次拔出后,應剪去端部磨損部份,修平后繼續使用。
4、直角、三通、四通等終端管接頭,安裝后,僅需旋轉接頭體,即可調整接頭的接管方向。
• 標記示例:
①:插入式三通終端管接頭公稱通徑 Ø6MM JC-3T-Z6 M10×1
②:插入式三通終端變徑管接頭公稱通徑 Ø6MM B=8MM C=Ø4MM JC-3T-Z6-8-4 M10×1
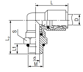
外形尺寸



我們的研發團隊&實驗室
華通氣動專業的技術研發團隊,擁有博士、碩士、本科學歷20余人,獲得多項國家級專利。與多家知名高校有技術研發合作,密切結合市場需求,開展研發工作。
目前已獲得發明專利十一項、實用新型專利五十多項、外觀專利三項。
技術中心還擁有600平米完整的氣動產品專業實驗室,可進行各類相關的氣動/物理/模擬/壽命試驗。各類檢測設備50余臺。其中20余臺為我公司技術中心自主研發制造的檢測設備。
壽命測試臺 |
沖擊試驗機 |
高低溫試驗箱 |
三坐標測量儀 |
超聲波探傷儀 |
液壓萬能試驗機 |
電動布洛維硬度計 |
半自動沖擊機 |
生產制造能力
|
華通氣動全廠擁有自動化流水線和檢測設備130余臺,從美國、日本、韓國、臺灣等地引進一流的制造裝備工藝。擁有智能機器人加工生產線、美國哈挺加工中心、日本津上走心式車銑復合加工中心、刀塔式雙頭復合車、全自動數控機床、智能裝配線。月度產能各類控制閥10萬套以上。 |
華通氣動車間生產制造能力
高精度自動送料數控車床 |
加工中心車間 |
|
|
質量保證能力
—— 先進的智能化檢測線
|
|
|
|
—— 智能的產品裝配線
通過視覺檢測相機、接近傳感器、對射光纖傳感器等檢測手段,嚴格控制過程中的錯裝、漏裝。

—— 質量管理體系認證
IATF16949: 2016 汽車行業質量管理體系認證 |
ISO9001: 2015 質量管理體系認證(ISO9000) |
非標氣缸定制,我們擁有以下相關技術的氣缸定做,歡迎來圖來樣非標ODM、OEM定制
水循環降溫技術
氣液轉換增壓技術
多級伸縮技術
精準定位技術
集成自控技術
高頻往復技術
智能集成控制技術
防轉技術
耐高溫、耐低溫、耐腐蝕
華通氣動概況介紹





無錫市華通氣動制造有限公司
咨詢熱線:400-150-1100
傳真:0510-85757700
郵箱:netsales@wxpneum.com.cn
郵編:214177
地址:無錫市惠山經濟開發區欣惠路555號
熱線電話
0510-83591123
上班時間
周一到周六
營銷QQ
800099935
